});
sản phẩm
diode thoáng qua
Bộ triệt tĩnh điện
Ống phóng điện thể rắn
Bộ bảo vệ đèn LED
Ống xả khí
Varistor oxit kẽm
Silicon được kiểm soát
Mosfets
điốt
Điện tử ô tô
Bảo vệ quá dòng
diode thoáng qua
Automotive TVSs
General TVS Diodes
High Reliability TVSs
High Current TVSs
Bộ triệt tĩnh điện
Automotive ESDs
TVS Diodes Array
MLVs
Polymers
Ống phóng điện thể rắn
Automotive TSSs
High Reliability
General Thyritors
Programmable Series
Bộ bảo vệ đèn LED
Automotive PLEDs
Pled Protectors
Ống xả khí
General Gas Tubes
Automotive GDTs
Glass Discharge Tubes
Varistor oxit kẽm
General Varistors
Thermal link Movs
Hybird Varistors
Automotive MOVs
Silicon được kiểm soát
Sensitive SCRs
SCRs
Triacs
4-Quadrant Triacs
Mosfets
Small Signal Mosfets
Power Mosfets
Automotive
Transistors
điốt
Bridge Rectifiers
Schottky Rectifiers
Switching Diodes
Fast Recovery Diodes
Rectifier Diodes
Zeners
Điện tử ô tô
Transistors
Switching Diodes
Fast Recovery Diodes
Rectifier Diodes
Schottkys
Zeners
Bảo vệ quá dòng
NTC
PTC
ứng dụng
Điện tử ô tô
giao tiếp
Bảo vệ
Hàng tiêu dùng
nguồn điện
Thuộc về y học
ngành công nghiệp
chiếu sáng
Thiết bị gia dụng
Điện tử ô tô
ADAS
Bộ chuyển đổi xe
Trung tâm truyền thông
Đèn nội thất
Đèn pha
Bộ sạc DC
PTC
Bộ sạc AC
BMS
Bộ sạc trên xe
Lưu trữ năng lượng
giao tiếp
Hộp giải mã tín hiệu
PBX
RRU
BBU
Tế bào nhỏ
AP ngoài trời
Trạm gốc di động
Nguồn điện
Hệ thống ăng-ten
xDSL
Bảo vệ
Bảo vệ lối vào
Camera an ninh
DVR
NVR
Cổng tự động
Camera IP
Hàng tiêu dùng
TWS
Đồng hồ thông minh
Thuốc lá điện tử
Điện thoại di động
Khóa thông minh
Máy tính bảng
Máy tính xách tay
xe đạp điện
máy bay không người lái
Kính VR
POS
Ngân hàng điện
Máy in nhãn
Bảo vệ pin
Sạc nhanh PD
Thiết bị định vị xe hai bánh
nguồn điện
Bộ chuyển đổi
Lưu trữ năng lượng
Ngân hàng điện
Xe 2/3 bánh
Biến tần chuỗi
UPS
Bảo vệ pin
Mô-đun DC-DC
Sạc nhanh PD
Bộ sạc EV AC220V
Biến tần PV
Thuộc về y học
Cân điện tử
Nhiệt kế đo trán
Máy đo đường huyết
Chụp X-quang
Máy quét siêu âm
Máy khử rung tim
Máy theo dõi điện tâm đồ
Máy đo huyết áp
ngành công nghiệp
Bảng gọi thang máy
Công tơ điện
Dây điện
Cảm biến
Đo lường thông minh
PLC
Cổng tự động
Bảo vệ chống rò rỉ
Động cơ DC
chiếu sáng
Bộ điều khiển đèn đường
Đèn năng lượng mặt trời
Đèn thông minh
Đèn cảnh quan
Đèn giao thông
Thiết bị gia dụng
Loa thông minh
Máy pha cà phê
Máy nước nóng
Máy rửa chén
Robot quét
Tivi thông minh
Máy giặt
Thiết kế tham khảo
xe hơi
Tín hiệu
giao tiếp
dữ liệu
Dòng điện xoay chiều
Nguồn điện một chiều
xe hơi
DC48V
Buttons/Switches
LIN
DC12V-P5a
DC12V-P5b
DC24V-P5a
CAN
Tín hiệu
Touch Screen
SD Card
SIM
eSATA
NFC
MIC
Audio
GPS
giao tiếp
SLIC
RJ11
POE-10G-6KV
LNB-3KA
LNB-5KA
POE-1G-4KV
dữ liệu
HD Analog Video
DVI
CAN-Surge
Type-C
VGA
USB2.0-Dual
RS232-ESD
RS232-ESD/Surge
HDMI
eSATA
USB3.0
USB2.0
Dòng điện xoay chiều
AC220V-5KA
AC110V-5KA
AC220V-3KA
AC110V-3KA
Nguồn điện một chiều
DC5V
DC48V-2KA
DC48V-3KA
DC48V-20KA
DC110V-6KV
DC12V-6KV
DC9V
DC110V-4KV
DC60V-4KV
chất lượng
ủng hộ
Yêu cầu mẫu
Hỗ trợ kỹ thuật
Dịch vụ EMC
Tài liệu kỹ thuật
Semiware cung cấp hơn 300 giải pháp bảo vệ giao diện, bao gồm các ngành công nghiệp như điện tử ô tô, điều khiển công nghiệp và điện tử tiêu dùng.
tin tức
văn học
Sản phẩm mới
Tin tức công ty
Blog
Trở thành nhà cung cấp dịch vụ toàn diện xuất sắc về các giải pháp bảo vệ mạch điện.
về chúng tôi
về chúng tôi
Tham gia cùng chúng tôi
Liên hệ với chúng tôi
Trở thành nhà cung cấp dịch vụ toàn diện xuất sắc về các giải pháp bảo vệ mạch điện.
Yêu cầu sản phẩm
Tham chiếu lẫn nhau
Language
▼
简体中文
English
한국어
Русский
Tiếng Việt
Login
Trang chủ
Các sản phẩm
Thông tin sản phẩm
diode thoáng qua
Bộ triệt tĩnh điện
Ống phóng điện thể rắn
Bộ bảo vệ đèn LED
Ống xả khí
Varistor oxit kẽm
Silicon được kiểm soát
Mosfets
điốt
Điện tử ô tô
Bảo vệ quá dòng
Ứng dụng
Danh bạ ngành
Điện tử ô tô
giao tiếp
Bảo vệ
Hàng tiêu dùng
nguồn điện
Thuộc về y học
ngành công nghiệp
chiếu sáng
Thiết bị gia dụng
Thiết kế tham khảo
Thiết kế tham khảo
xe hơi
Tín hiệu
giao tiếp
dữ liệu
Dòng điện xoay chiều
Nguồn điện một chiều
Chất lượng và Tài nguyên
Ủng hộ
Yêu cầu mẫu
Hỗ trợ kỹ thuật
Dịch vụ EMC
Tài liệu kỹ thuật
Tin tức & Sự kiện
Bài viết kỹ thuật
Thông tin sản phẩm mới
Tin tức công ty
Blog
Giới thiệu về chúng tôi
Thông tin công ty
Liên hệ với chúng tôi
简体中文
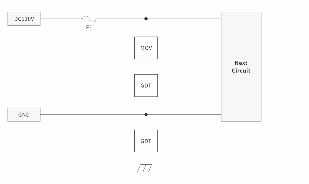
DC110V-6KV
Surge protection scheme
Summary
Application Circuit Diagram
Documents
Other
Summary
Test Level:1.2/50μs-8/20μs CM/DM 6kV-3kA
Application Circuit Diagram
Find products and reference designs suitable for your system
DC110V-6KV
GDT
GDT
MOV
Product
Reference Design
SG5042B350-Gas Discharge Tube
350V,5KA,0.8pF,5.0x5.0x4.2mm
Product
Reference Design
SG5042B350-Gas Discharge Tube
350V,5KA,0.8pF,5.0x5.0x4.2mm
Product
Reference Design
20D181KJ-Varistor
180V,10000A,130J,2200pF
Other Related
DC5V
DC48V-2KA
DC48V-3KA
DC48V-20KA
DC12V-6KV
DC9V
DC110V-4KV
DC60V-4KV
We uses cookies. By continuing to browse our website, you agree to our use of cookies.
Agree