});
sản phẩm
ứng dụng
Thiết kế tham khảo
chất lượng
ủng hộ
tin tức
về chúng tôi
Login

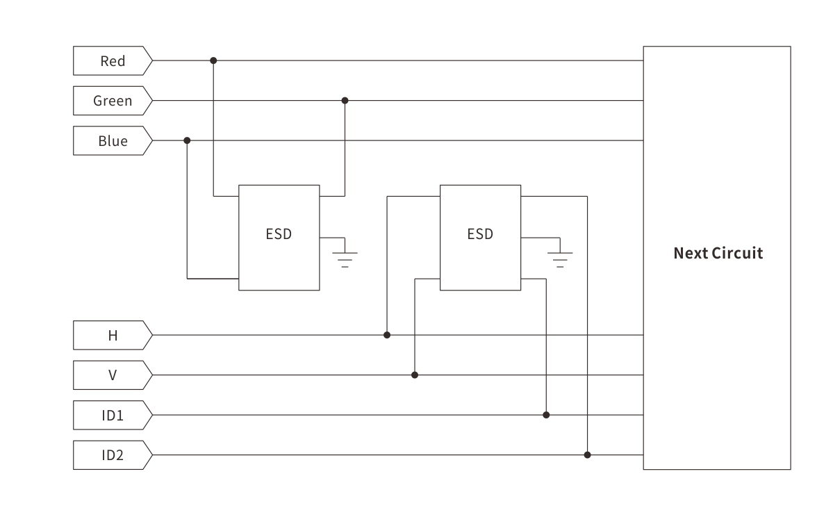
VGA

Design Semiware into your application circuit

Summary Application Circuit Diagram Documents Other

Summary

The VGA (Video Graphics Array) interface is susceptible to electrostatic discharge (ESD) in actual applications, especially when plugging and unplugging cables or touching ports. If not protected, ESD may damage the VGA interface chip or other electronic components, causing system instability or failure. Therefore, it is necessary to provide electrostatic protection for the VGA interface.

Test Level:Contact-8kV Air-15kV

Application Circuit Diagram

Find products and reference designs suitable for your system

VGA

Other Related

HD Analog Video DVI CAN-Surge Type-C USB2.0-Dual RS232-ESD RS232-ESD/Surge HDMI eSATA USB3.0 USB2.0