});
sản phẩm
ứng dụng
Thiết kế tham khảo
chất lượng
ủng hộ
tin tức
về chúng tôi
Login

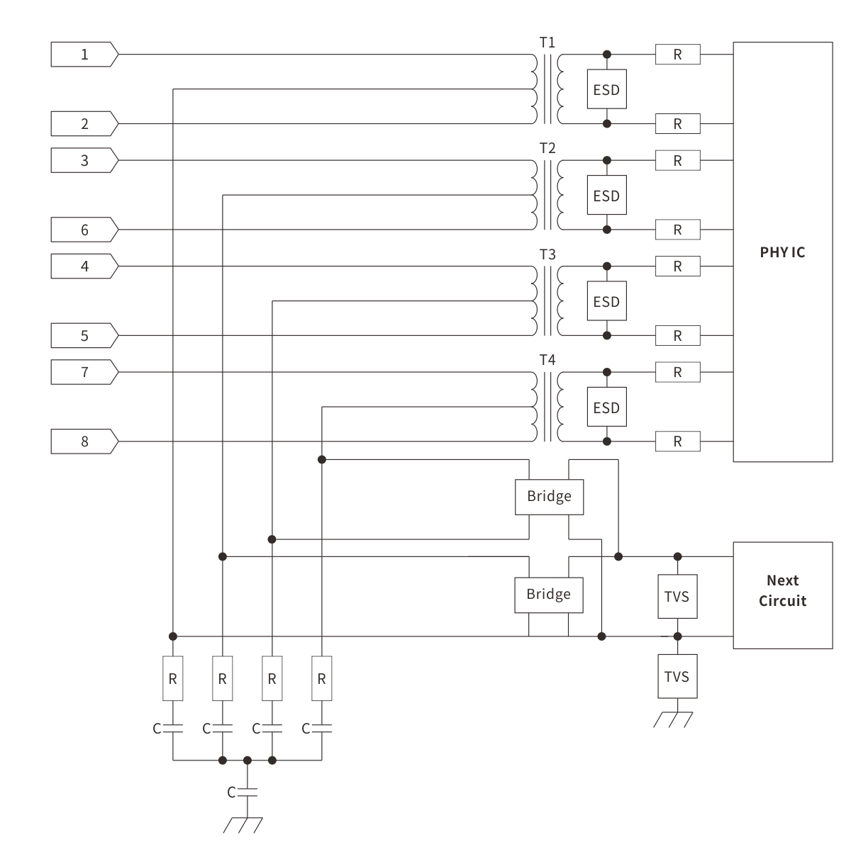
POE-1G-4KV

Surge and Electrostatic protection scheme

Summary Application Circuit Diagram Documents Other

Summary

POE stands for Power over Ethernet. It is a technology that allows electrical power to be transmitted over Ethernet cables alongside data. Traditionally, devices required separate power lines for electricity, but POE simplifies installation and management by reducing the number of cables and complexity.

Test Level:
IEC61000-4-5 10/700μs-5/320μs CM/DM 4kV-100A
IEC61000-4-2 Contact-30KV Air-30KV

Application Circuit Diagram

Find products and reference designs suitable for your system

POE-1G-4KV

Other Related

SLIC RJ11 POE-10G-6KV LNB-3KA LNB-5KA